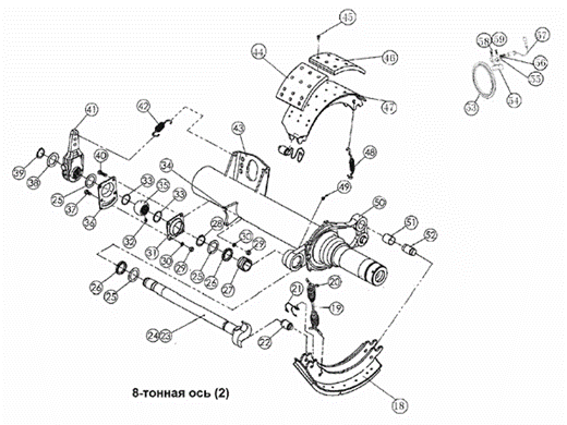
Ремкомплект тормозного вала L1 предназначен для обслуживания тормозной системы полуприцепов с осями грузоподъемностью от 8 до 12 тонн.
Он включает в себя все необходимые детали для замены изношенных или поврежденных элементов тормозного вала, обеспечивая стабильную работу тормозной системы и безопасность движения.
Использование качественного ремкомплекта L1 повышает надежность и продлевает срок службы тормозной системы полуприцепа, экономя средства на ее ремонт и обслуживание.

















Компания L1 является одним из крупнейших производителей подвесок и осевых агрегатов для прицепной техники в Китае, на двух заводах которого работает более 500 сотрудников. Компания играет важную роль на рынке деталей и комплектующих, а превосходные технические и эксплуатационные характеристики ее осей обеспечили широкие возможности для экспорта и успешное присутствие на мировой арене. Это стало возможным благодаря переходу российских производителей прицепной техники на использование осей этой марки, объем производства которых в настоящее время превышает 60 тысяч единиц. Их продукция реализуется как в собранном виде, так и в виде отдельных деталей.


